CYB 106 - ACTIVE MULTIPLES
                     

Bei den "aktiven Multiples" handelt es sich um Steuerspannungs-Verteiler die zum Einsatz kommen wenn eine Quelle auf mehrere Ziele verteilt werden soll ohne dass es dabei "Nebenwirkungen" gibt. Man kennt das auch unter der Bezeichnung "gepufferte Multiples", "Buffered Multiples" oder "VC-Distributor"

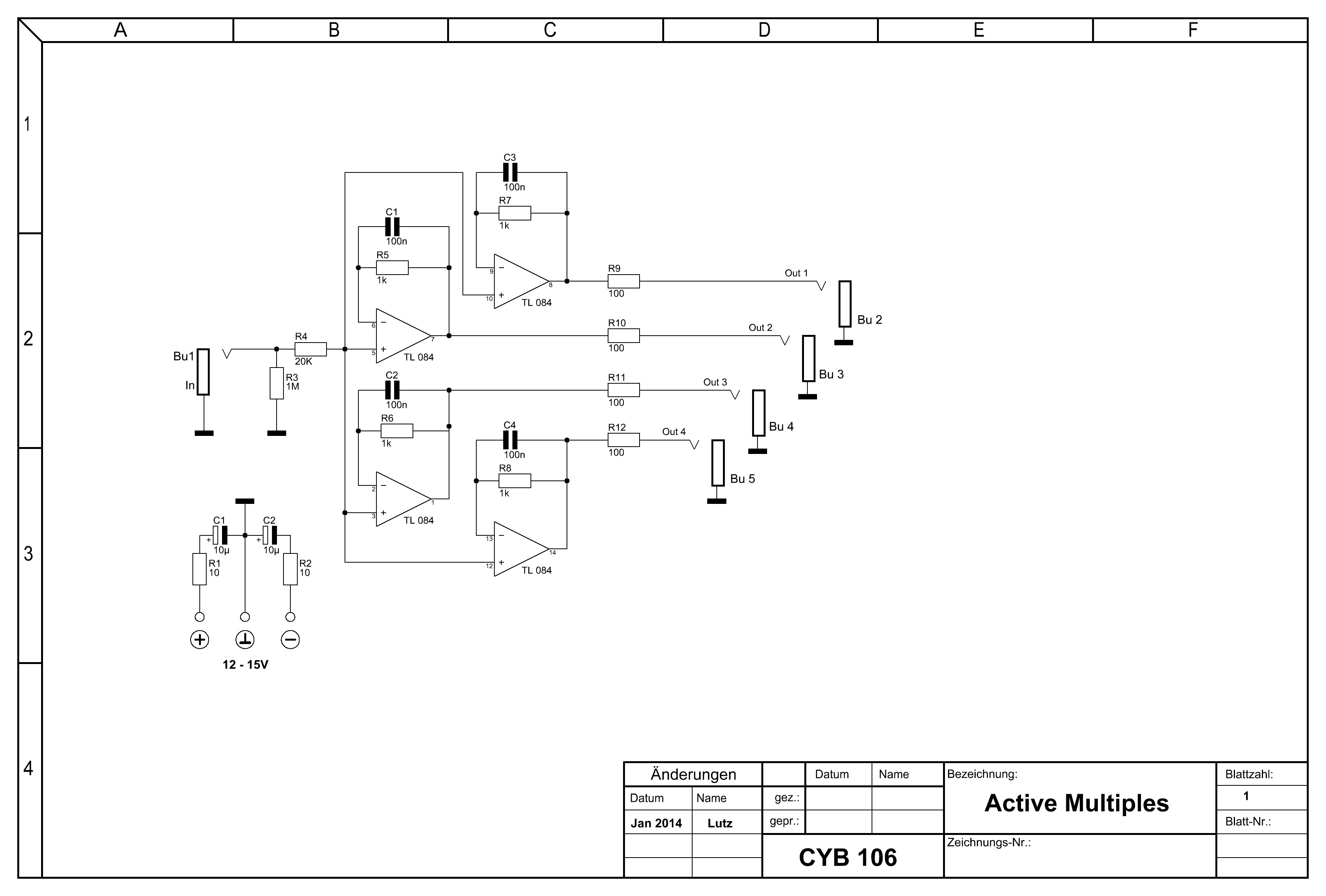
Da ich kein Elektronik-Entwickler-Crack bin habe ich mir die Grundschaltung aus dem Netz gefischt und für dieses Modul angepasst.
Zunächst habe ich der Stromversorgung 2 Elkos (10uF) und 2 Schutzwiderstände verpasst. Letztere sind so eine Art Versicherung denn wenn mal was auf der Platine geschieht oder man beim Zusammenbau einen "Kurzen" eingebaut hat- Zuerst brennen dann diese Schutzwiderstände ab und bewahren so andere Baugruppen oder das Netzteil vor Schlimmerem. Das Platinenlayout ist auf meinem Mist gewachsen und ich habe ein Muster geätzt, gebohrt, bestückt und ausprobiert.
Test: Dazu habe ich dann 1 CV auf 2 VCOs verteilt und beobachtet, ob sich irgendwas an der Tonhöhe derselben beim Anschluss weiterer 2 VCO verändert. Dann habe ich auch die CV verändert und die VCOs blieben ganz brav und es gab nur geringste Schwebungen als ich sie durch den gesamten Hörbereich schob.
Ok, so sauber werden nicht alle VCO oder andere Module arbeiten, hängt das dann doch auch von der Präzision der Module selbst ab.
Mir war eines wichtig: Dieses aktive Multiple ist stabil und tut das, was es tun soll.

Wer es nachbauen möchte darf sich hier gerne die dazu nötigen Unterlagen herunterladen.
Wenn jemand damit seine Erste Million macht, hätte ich gerne 0,5% davon, anderenfalls freue ich mich auch über eine Tüte Gummibären oder einfach nur eine Mail oder ein Dankeschön bei Facebook: mein Facebook

Noch ein Hinweis: Ich montiere die Platinen in der Regel parallel hinter der Frontplatte. Dazu benutze ich "Abstandbolzen" die 35mm lang sind, auf einer Seite ein M3 Innengewinde und am anderen ein M3 Aussengewinde haben. (gibts bei Conrad, Ebay) Die Bohrlöcher sind in dem Frontplatten-Design ganz fein (dunkelgrau) markiert. Ich montiere die Abstandsbolzen meist mit Senkschrauben, "kitte" dann eventuelle Vertiefungen auf der Frontplatte zu (2-Komponenten-Kleber) und schleife sie eben. Wenn ich dann die Frontplattenfolie aufklebe, sieht man keine überflüssigen Schrauben. (mehr dazu ist in anderen "Projekten" beschrieben)

   
DOWNLOADS

Schaltplan im "S-Plan" - Format
Schaltplan im "Target" - Format
Schaltplan als JPG

Platinenlayout (PCB) im "Sprint-Layout" - Format (3 Multiples 1 auf 4)
Platinenlayout (PCB) im "Sprint-Layout" - Format (2x 4 Einheiten 1 auf 4, passend für eine Fotoplatine 100x160mm)
Diese Platine hat Platz für 4(!) Schaltungen, auf der Frontplatte finden aber nur 3(!) Verteiler 1 auf 4 Platz.
Entweder man lässt beim Bestücken einfach eine "Einheit" aus oder man gestaltet die Frontplatte anders (4 x 1 auf 3 oder so).


Bestückung der Platine mit 3 Multiples als JPG
Bild des PCB der Platine mit 4 Multiples als JPG
Für diese Platine sind die oben erwähnten Bohrmarkierungen gedacht, bei der "kleinen" müsst Ihr Euch noch Gedanken über die Montage der Platine machen
und ggf. selbst noch die Bohrungen für die Montage eintragen.


Frontplatten-Design im Dotcom-Format (55mmx222mm) als Corel-Draw Datei
Rückansicht des fertig montierten Moduls (3 von 4 Einheiten benutzt)

Bauteileliste (TXT)

   
ZURÜCK ZUR PROJEKT-ÜBERSICHT                                  HOME