ACHTUNG: Hier wird mit Netzspannung
gearbeitet!
Solche Basteleien sollten nur Leute durchführen die sich sicher auskennen,
es könnte sonst lebensgefährlich werden.
Natürlich übernehme ich keinerlei Haftung für die Schaltungen
oder für Folgen beim Nachbau.
1) Netzteil , ca. 2x 1,5 Ampere
Der Spannungsregler LM317 ist ein 13,6
Volt-Regler. Durch die Verwendung von regelbaren Präzisionstrimmern
kann die Ausgangsspannung in einem weiten Bereich eingestellt werden und bleibt
auch stabil.
Stabil genug z.B. für große Module die +/- 15V brauchen oder die
Eurorack-Module mit +/-12V
Vorschlag für ein Platinenlayout auf Rohmaterial von 100x160mm
Bitte unbedingt beachten dass die Netzspannungsseite gut isoliert aufgebaut
wird.
Dazu die Netzsicherung abdecken und auch auf der Lötseite auf ausreichende
Abstände zum Gehäuse achten.
Im Prinzip die gleiche Schaltung wie
zuvor, nur mit einem Leistungstransistor der einen Großteil des Stromes
übernimmt. Diese Schaltung kann bis 4.3 Ampere liefern.
Regler und Transistor müssen gekühlt werden. Dazu montiert man sie
auf einem Kühlkörper indem man ein Glimmerplättchen, Wärmeleitpaste
und Kunststoffhülsen
für die Montage verwendet. Die Bauteile dürfen keine elektrische
Verbindung zum Kühlkörper bekommen. Auch hier kann die Ausgangsspannung
durch Änderung
von R2 bestimmt werden. natürlich muss der Trafo ausreichend Leistung
liefern können. Für den 0.3 Ohm und den 0,7 Ohm Widerstand benutzt
man am besten
zementierte Ausführungen mit 5 Watt, das ist gut ausreichend.
Diese Schaltung kann man auch 2x aufbauen und damit dann eine symmetrische
Speisung erreichen
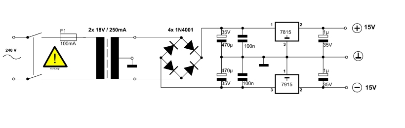
3) Netzteil mit symmetrischer Spannung ca. 2x 1 Ampere
Für viele Zwecke werden symmetrische
Versorgungsspannungen benötigt, also nicht nur das übliche "Plus"
und "Masse" sondern neben der Masse auch getrennt "Plus"
und "Minus".
Die Schaltung selbst wird mit Spannungsreglern realisiert. Dies ist die einfachste
Art der Stabilisierung. Die Ausgangsspannung des Trafos muss dazu nur ein
paar Volt
über der benötigten Ausgangsspannung liegen. Wird nur eine "normale"
Versorgung z.B. für Bodeneffektgeräte gebraucht, reicht es, wenn
man den "positiven" Zweig der Schaltung
aufbaut. Der Trafo braucht dann auch keine Mittelanzapfung zu haben.
Die Ausgangsspannung wird vom Typ des Spannungsreglers bestimmt. Dies sind
z.B. 7805 für +5 Volt, 7809 für +9 Volt, 7812 für +12 Volt
oder 7815 für +15 Volt.
Die Negativ-Regler beginnen mit 79xx. Wie schon bei den anderen Schaltbeispielen
verwendet man für C1, C2 Elektrolytkondensatoren, für C5 und C6
Tantal-Kondensatoren.
Für C3 und C4 reichen Folienkondensatoren aus. Die Regler müssen
auf Kühlblechen montiert werden. (elektrisch isoliert)
